Sign In | Join Free | My infospaceinc.com
China Ningbo Anyo Import & Export Co., Ltd. logo
Ningbo Anyo Import & Export Co., Ltd.
Your best electronic components sourcing and vendor consolidation facilitator
Site Member

8 Years

Home > Passive Electronic Components >

Mechanical Contact Micro Tactile Switch SMD 3*6*2.5H 1 Pole 1 Throw Red Color

Ningbo Anyo Import & Export Co., Ltd.
Contact Now

Mechanical Contact Micro Tactile Switch SMD 3*6*2.5H 1 Pole 1 Throw Red Color

  • 1
  • 2
  • 3

Brand Name : ANYO

Model Number : 3*6*2.5H

Place of Origin : CHINA

MOQ : 5000pcs

Price : Negotiation

Payment Terms : L/C, T/T

Supply Ability : 50000pcs per day

Delivery Time : 8-10 work days

Packaging Details : Customized carton

Other Name : mini tactile switch

Ratings : DC 12V, 50mA

Contact arrangement : 1 pole, 1 throw

Type of actuating : Tactile feedback

Operating temperature range : -20~+70℃

Storage temperature range : -30~+80℃

Contact Now

Micro mechanical contact SMD red tact switch 3*6*2.5H 1 pole 1 throw

Electrical specification:

No. Item Test conditions Requirements
1 Contact resistance Applying a static load of 2 times operating force to the center of the stem, measurements shall be made by 5V DC 10mA or more than 1KHZ AC small- current contact resistance meter. ≤100mΩ
2 Insulation resistance Measurement shall be made following application of 100V DC potential, across terminals, and across terminals and cover, for one minute. ≥100MΩ
3 Dielectric voltage proof 250V AC (50HZ or 60HZ) shall be applied across terminals, for one minute. There should be no breakdown and flashover
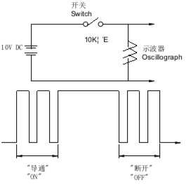
4 Bounce

Lightly striking the center of the stem at a rate encountered in normal use (3 to 4 times per second), and bounce shall be tested at “ON” and “OFF”

Mechanical Contact Micro Tactile Switch SMD 3*6*2.5H 1 Pole 1 Throw Red Color

ON-3msec.max
OFF-8msec.max

Mechanical specification:

Operating force Placing the switch such that the direction of switch operation is vertical and then gradually increasing the load applied to the center of the stem, the maximum load required for the switch to come to a stop shall be measured. Operating Force:260±50gf
Full travel Placing the switch such that the direction of switch operation is vertical and then applying static load of 2times operating force to the center of the stem; the travel distance for the switch to come to a stop shall be measured. 0.25±0.1mm
Return force The sample switch is installed such that the direction of switch operation is vertical and upon depressing the stem in its center to the whole travel distance, the force of the stem to return to its free position shall be measured. Return Force:50gf min
Stop strength Placing the switch such that the direction of switch operation is vertical, and then a static load of 30N shall be applied in the direction of stem operation for a period of 1 min. There shall be no sign of damage mechanically and electrically.
Stem strength Placing the switch such that the direction of switch operation is vertical, and then the maximum force to withstand a pull applied opposite to the direction of stem operation shall be measured. 20N.min.
Solderability

Measurements shall be made following the test set forth below:

Solder temperature : 245±5°C

Immersion time: 2s±0.5s

The other steps please refer toTEST 12a

Except for the edge, the coating should cover a minimum 90%

Environmental specification:

No. Item Test condition Requirements
1 Resistance to low temperature

Following the test set forth below the sample shall be left in normal temperature and humidity conditions for 1 h before measurements are made:

Temperature : -30±2°C

Time: 96h

Contact resistance: ≤200mΩ
2 Heat resistance

Following the test set forth below the sample shall be left in normal temperature and humidity conditions for 1 h before measurements are made:

Temperature : 80±2°C

Time: 96h

3 Change of temperature

After 5 cycles of following conditions, the sample shall be allowed to stand under normal temperature and humidity conditions for 1 h. and measurements shall be made. During the test water drops shall be removed.

Mechanical Contact Micro Tactile Switch SMD 3*6*2.5H 1 Pole 1 Throw Red Color

4 Moisture resistance

Following the test set forth below the sample shall be left in normal temperature and humidity conditions for 1 h before measurements are made:

Temperature : 60±2°C

Time: 96h

5 Sulfuration resistance

Following the test set forth below the sample shall be left in normal temperature and humidity conditions for 1 h before measurements are made:

H2S gas concentration: 3ppm±1ppm

Time: 72h

Temperature: 40±2°C(90~95%RH)

6 Salt mist

The switch shall be checked after following test:

Temperature: 35°C±2°C

Salt solution : 5±1%(solids by mass)

Time: 8h±1 hour

After test, salt deposit shall be removed by running water.

No remarkable corrosion shall be recognized in metal part.

Test conditions:

Unless otherwise specified, tests and measurement shall be made in the following standard conditions:

Normal temperature 5~35℃
Normal humidity Relative humidity 25%~85%
Normal air pressure 86~106KPa

If any doubt arise from the judgment, tests shall be conducted at the following conditions:

Temperature 20±2℃
Relative humidity 65%±5%
Air pressure 86~106KPa

Product Tags:

smd chip resistor

      

electret condenser microphone

      
Quality Mechanical Contact Micro Tactile Switch SMD 3*6*2.5H 1 Pole 1 Throw Red Color for sale

Mechanical Contact Micro Tactile Switch SMD 3*6*2.5H 1 Pole 1 Throw Red Color Images

Inquiry Cart 0
Send your message to this supplier
 
*From:
*To: Ningbo Anyo Import & Export Co., Ltd.
*Subject:
*Message:
Characters Remaining: (0/3000)